Hãy cùng Đại Hồng Phát tìm hiểu về Khớp nối đĩa đàn hồi Rathi-Ringfeder REMH, qua bài viết sau!
1. Về Đại Hồng Phát – Rathi India
–Đại Hồng Phát là đại diện ủy quyền chính thức Rathi India tại Việt Nam (Rathi Việt Nam), Lào, Campuchia, Philippines và Bangladesh. Chúng tôi cung cấp các giải pháp khớp nối trục truyền động chính hãng, đáp ứng tiêu chuẩn quốc tế, giúp tối ưu hiệu suất và độ bền của hệ thống máy móc.
– Thành lập năm 1993 tại Pune, Ấn Độ, thuộc Rathi Group. Công ty đã đạt chứng nhận ISO 9001 và chuyên sản xuất các loại khớp nối truyền động. Với hệ thống phân phối toàn cầu và quy trình kiểm soát chất lượng nghiêm ngặt, Rathi nhanh chóng trở thành thương hiệu uy tín quốc tế.
– Năm 2024, Rathi India chính thức sát nhập vào Ringfeder Germany.
– Sản phẩm Khớp nối đĩa đàn hồi Rathi-Ringfeder REMH do Đại Hồng Phát cung cấp được nhập khẩu 100% chính hãng, có đầy đủ CO/CQ, đáp ứng các tiêu chuẩn chất lượng quốc tế.
Xem thêm: Các loại Khớp nối trục đĩa đàn hồi Rathi-Ringfeder khác
2. Đặc điểm Khớp nối đĩa đàn hồi Rathi-Ringfeder REMH
– Hãng sản xuất: Rathi-Ringfeder/India
– Khớp nối đĩa Rathi-Ringfeder REMH tuân thủ tiêu chuẩn API-610/API-671 có sẵn theo yêu cầu
– Sử dụng đĩa thép giảm chấn, chống rung lắc
– Rathi-Ringfeder REMH có bộ đĩa tán đinh cho hiệu suất tốt hơn.
– Có khả năng chịu được sai lệch góc, song song và trục.
– Hoạt động ổn định trong môi trường nhiệt độ cao
– Cho phép kiểm tra trực quan mà không cần tháo rời thiết bị khỏi bệ đỡ
– Thiết kế không khe hở (Zero Backlash) giúp truyền mô-men chính xác.
– Gia công theo tiêu chuẩn độ chính xác cao, thiết kế trọng lượng nhẹ nhưng độ bền cao.
– Thông số nổi bật:
+ Mô-men xoắn: từ 24.83 kNm đến 200.53 kNm
+ Tốc độ quay tối đa: lên đến 4.600 vòng/phút
+ Dải kích thước lỗ trục (Bore): từ 80 mm đến 450 mm
+ Kích thước khớp nối đa dạng: từ REMH 2600 đến REMH 9210
+ Trọng lượng khớp nối: từ 155 kg đến 1.202.9 kg
> Đặc biệt, Rathi-Ringfeder REMH có thể cân bằng động theo yêu cầu của khách hàng.
| MỌI THẮC MẮC HOẶC YÊU CẦU BÁO GIÁ, QUÝ KHÁCH VUI LÒNG LIÊN HỆ: PHÒNG KINH DOANH HOTLINE: 0906 955 057 – EMAIL: INFO@DHP-CORP.COM.VN |
Xem thêm thông số sản phẩm: Khớp nối trục đĩa đàn hồi Rathi-Ringfeder REM
3. Ứng dụng Khớp nối đĩa đàn hồi Rathi-Ringfeder REMH
Khớp nối đĩa đàn hồi Rathi-Ringfeder REMH đặc biệt thích hợp cho ngành công nghiệp hóa dầu, phân bón và các ứng dụng công nghiệp nặng.
– Sản phẩm thường được sử dụng trong các thiết bị như bơm, máy nén khí, quạt công nghiệp, tuabin và hệ thống truyền động công suất lớn.
– Rathi-Ringfeder REMH có thể cung cấp phiên bản trục nổi hoặc ứng dụng cho tháp giải nhiệt.
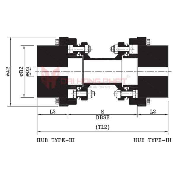
4. Thông số kỹ thuật Khớp nối đĩa đàn hồi Rathi-Ringfeder REMH
| Catalogue Khớp nối đĩa đàn hồi Rathi-Ringfeder REM |
Hướng dẫn lắp đặt Khớp nối đĩa đàn hồi Rathi-Ringfeder REM |

Bảng thông số kỹ thuật khớp nối đĩa đàn hồi Rathi-Ringfeder REMH
| Couping Size | Torque kNm | Max Speed RPM | Bore | Weight Kg Min | Weight Kg Extra | ||||
| Min. | Max. | ||||||||
| ØD1&D2 | ØD3 | ØD1 | ØD2 | ØD3 | |||||
| REMH 2600 | 24.83 | 4600 | 80 | 85 | 185 | 210 | 200 | 155 | 54.13 |
| REMH 3350 | 31.99 | 4100 | 85 | 95 | 200 | 220 | 215 | 187.7 | 71.98 |
| REMH 4250 | 40.58 | 3900 | 95 | 95 | 215 | 235 | 230 | 228.7 | 71.97 |
| REMH 6250 | 59.68 | 3400 | 95 | 98 | 230 | 260 | 240 | 280 | 96.04 |
| REMH 7600 | 72.57 | 3200 | 98 | 100 | 240 | 275 | 265 | 325.4 | 96.13 |
| REMH 8700 | 83.07 | 2900 | 100 | 100 | 265 | 300 | 275 | 396.2 | 108.7 |
| REMH 9100 | 95.49 | 2600 | 100 | 102 | 275 | 305 | 290 | 443.1 | 101.59 |
| REMH 9115 | 109.81 | 2500 | 102 | 102 | 290 | 315 | 305 | 500.1 | 117.33 |
| REMH 9130 | 124.14 | 2400 | 102 | 105 | 305 | 335 | 355 | 550.7 | 134.49 |
| REMH 9170 | 162.33 | 2300 | 105 | 105 | 355 | 370 | 380 | 620.9 | 145.46 |
| REMH 9190 | 181.43 | 2200 | 105 | 110 | 380 | 395 | 430 | 925.4 | 161.58 |
| REMH 9210 | 200.53 | 2100 | 110 | 115 | 390 | 425 | 450 | 1202.9 | 176.86 |
5. Lý do chọn Đại Hồng Phát?
– Sản phẩm chính hãng 100% nhập khẩu trực tiếp từ Rathi-Ringfeder India.
– Bảo vệ khách hàng khỏi hàng giả và luôn cung cấp chứng từ CO/CQ đầy đủ.
– Hàng sẵn kho, giao hàng nhanh toàn quốc 24/7.
– Tư vấn kỹ thuật miễn phí và hỗ trợ bản vẽ, catalogue.
– Xưởng gia công tinh chỉnh đáp ứng yêu cầu riêng.














